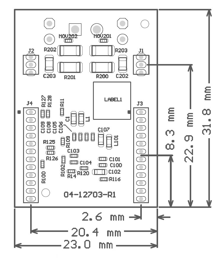
3.2 Bottom View and Mechanical Dimensions

Figure 3-2. Assembly Plan – Bottom View and Mechanical Dimensions