9.7.2 Direct Versus Cascaded Connection
(Ask a Question)The PolarFire XCVR reference clock network provides rich connectivity to the TX_PLL and Transceiver lanes. The connectivity allows the user to share common reference clock inputs to reduce fanout buffers on the board and reduce costs.
The two types of connections between the reference clock and the TX _PLL and Transceiver lanes are as follows:
- Direct Connection
- Cascaded Connection
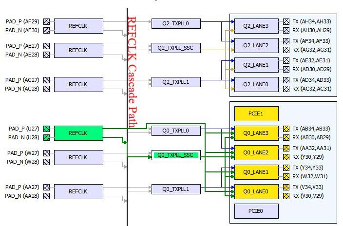
Direct connections are used when the reference clock pin and the TX_PLL or the Transceiver lanes are in the same Quad location. Cascaded connections are used when the reference clock pin and the TX_PLL or the Transceiver lanes are not in the same quad location. Cascade connections are only available going from the top of the device towards the bottom. The cascaded connection is denoted in the XCVR view by the black vertical line down the middle of the placement view.
The red lines denote cascaded REFCLK connection to the TX_PLL and the Transceiver lanes in the quad.
Connection/Assignment up the Cascade path (from REFCLK to TX_PLL and Transceiver lanes which are above the REFCLK) are illegal and indicated by red lines in the XCVR view.
Each Reference Clock (REFCLK) has a direct dedicated connection to its corresponding TX_PLL and to the lane that the TX_PLL drives in the same quad.
Selecting a dedicated connection or a cascaded connection depends on the trade-off you want to make. A direct dedicated connection from the REFCLK to the TX_PLL gives better signal integrity for the Transceiver whereas a cascaded connection reduces external components and reduces overall power.
The following figure shows direct dedicated path and cascade path.

The following figure shows XCVR view.

