9.7.4 Transmit PLL Assignment

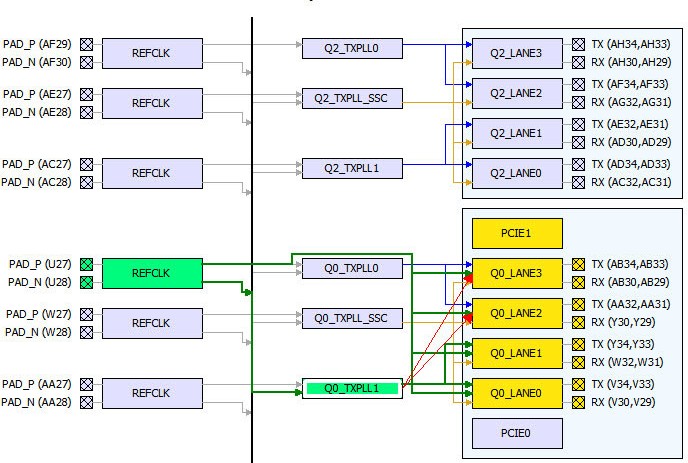
Drag and drop the Transmit PLL instance into the desired location. Illegal locations are flagged with error messages in the Log window and the illegal connections are indicated by red lines.

Figure 9-20. Illegal Transmit PLL to Lane Assignment
The Log window displays two error messages about the illegal assignments, one for each illegal connection. In this case, the assignment is illegal because there are no feasible dedicated connections.
Figure 9-21. Log Window