1.2.2.1 PIC32CXMTG-EK

The following figure shows the PIC32CXMTG-EK board connected with PL460-EK expansion board.

Figure 1-47. PIC32CXMTG-EK + PL460-EK

PL460-EK is connected to XPRO Interface connector (J10) of PIC32CXMTG-EK. A 15V DC jack must be plugged into PL460-EK in order to supply the power for PLC transmission. For additional information about PL460-EK, refer to its user guide.

The USB connector (J4) of PIC32CXMTG-EK can be used to:
  • See Application information messages on Console. UART baud-rate is configured at 115200 bps (it cannot be higher due to hardware limitations on this board).
  • Flash/debug the PIC32CXMTG device with the on-board J-link debugger
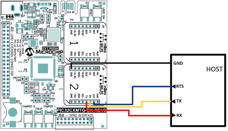
The Host Interface connection is done through mikroBUS 2 connector, where USART7 is mapped:
Figure 1-48. MikroBUS 2 USART7
INT pin is used to connect RTS signal from Host, which is required by Host Interface specification. The following figure shows the connection between Modem and Host:
Figure 1-49. Modem to Host Connection

For additional information about PIC32CXMTG-EK, refer to its user guide.