2 Example Circuit
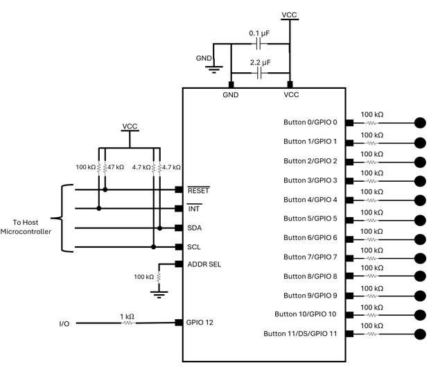
12 Buttons with Driven Shield+

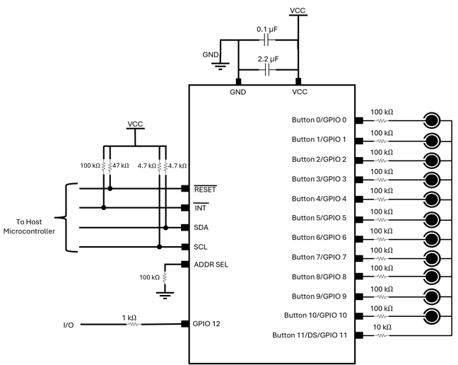
11 Buttons with one Dedicated Driven Shield

Button 11 functions as a dedicated Driven Shield (DS).
Note: Refer to section "Device Address" to configure the
device address.


Button 11 functions as a dedicated Driven Shield (DS).
The online versions of the documents are provided as a courtesy. Verify all content and data in the device’s PDF documentation found on the device product page.