HCSL
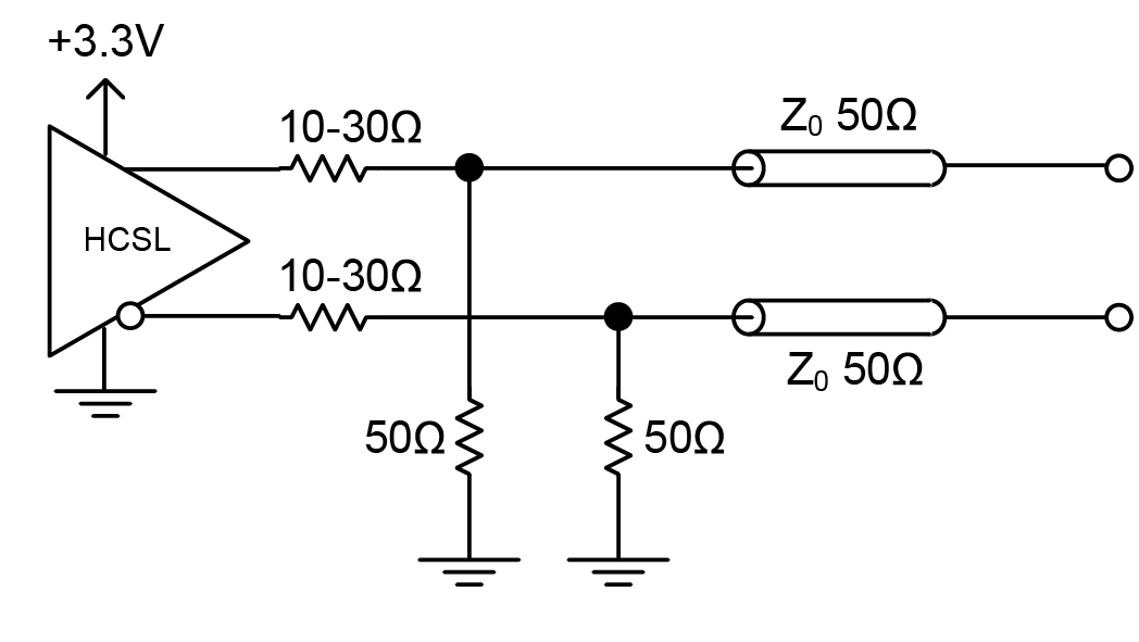
High Speed Current Steering Logic (HCSL) outputs are found in PCI Express applications and Intel chipsets. HCSL is a newer differential output standard, similar to LVPECL, with a 15mA current source that is derived from an open emitter or source. Being un-terminated drains, they require external 50Ω resistors to ground as shown in Figure . HCSL is a high impedance output with quick switching times; it can be advantageous to use a 10Ω to 30Ω series resistor, as shown in Figure , to help reduce overshoot/ringing. HCSL provides the quickest switching speeds, power consumption is somewhere between that of LVDS and LVPECL, and phase noise performance compares well with the alternative technologies. As always, it is best practice to understand a receiver’s input structure.
