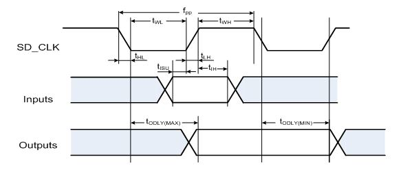
4.6.2 SDIO Timing
The SDIO client interface timing is shown in the following figure.

SDIO client timing parameters are provided in the following table.
| Parameter | Symbol | Min | Max | Units |
|---|---|---|---|---|
| Clock Input Frequency(1) | fPP | 0 | 50 | MHz |
| Clock Low Pulse Width | tWL | 9 | — | ns |
| Clock High Pulse Width | tWH | 4.5 | — | |
| Clock Rise Time | tLH | 0 | 5 | |
| Clock Fall Time | tHL | 0 | 5 | |
| Input Setup Time | tISU | 6 | — | |
| Input Hold Time | tIH | 4 | — | |
| Output Delay(2) | tODLY | 3 | 11 |
- Maximum clock frequency specified is limited by the SDIO client interface internal design; the actual maximum clock frequency can be lower and depends on the specific PCB layout.
- Timing is based on 15 pF output loading.
